Abstützelemente
Das Abstützelement dient zum Abstützen von überbestimmten Spannstellen an Bauteilen.
Die Vorteile des Abstützelementes sind:
- Abstützen von labilen Bauteilen
- Vibrationshemmung während der Bearbeitung
- Abstützen von Rippen, Sicken und Laschen zur Versteifung von gespannten Bauteilen
- deformationsfreies Abstützen von Rohteilen
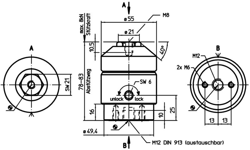
Gehäuse: Aluminium Al
Grundkörper: Einsatzstahl, nitriert, manganphosphatiert und geschliffen.
Abstützelement (Anschlussgewinde 2 x M 6) auf Vorrichtung befestigen. Auf Bedienseite achten!
Alternativ: Gewindestift M 12 x 10 demontieren und mit Gewindestift M 12 x 30 ersetzen und das Abstützelement mit Schlüssel (SW 21) montieren, z. B. für T-Nuten-Befestigung (keine definierte Bedienseite sichergestellt). Gewindestift M 12 x 30 und Mutter für T-Nuten DIN 508 M 12 x 14, Güte 10 im Lieferumfang enthalten.
Ein Versenken des Abstützelementes um 16 mm ist möglich.
- Durch Drehen des Spannockens (Innensechskant SW 6) an der Mantelfläche der roten Schutzhülse legt sich der Stützbolzen mit leichter Federkraft an das Werkstück an.
- Durch Weiterdrehen (15 Nm) bis zum Anschlag (lock) - gesamt 180° - klemmt der Spannmechanismus den Stützbolzen ohne Wegveränderung. Das Abstützelement ist an das Werkstück angelegt und verklemmt.
- Beim Drehen in umgekehrter Richtung (unlock) löst sich die Klemmung. Bei weiterem Zurückdrehen bis zum Anschlag - gesamt 180° - fährt der Stützbolzen in Endstellung.
Hinweise
- Für eine sichere Funktion muss die Gewindebohrung M 12 immer geschlossen sein.
Verweise
- Zusätzliche flexible Befestigungsmöglichkeit mit Halteleiste 23210.0740.
Gewinde M 8 am Stützbolzen kann mit verschiedenen Auflagebolzen (EH 22...) ausgetauscht werden. Es können auch kundenspezifische Verlängerungen montiert werden.
Bestelltabelle :
| Art.-Nr. | Gewicht (g) | Preis |
|---|---|---|
| 23220.0400 | 950 | € 679,60 |



