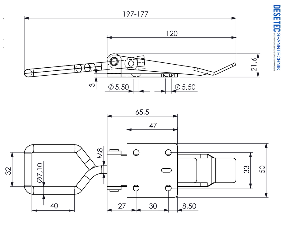
M52K Spannverschluss einstellbar - schwere Ausführung
Schwerer Spannverschluss - einstellbar :
- Einstellbarer Spannverschluss zum schnellen, einfachen und sicheren Verschliessen von Deckeln, Klappen, Behältern, Kisten usw..
- für industriellen Einsatz geeignet
- Durch die Totpunktüberschreitung wird ein vibrationsloses Halten ermöglicht
- Durch den Hubweg des Spannhakens werden die zu verbindenden Teile beim Spannen zusammengezogen.
- Der Verstellbereich wird über die Spindel des Spannhakens eingestellt
- Material : verzinkter Stahl (optional in nicht rostender Ausführung in Edelstahl erhältlich)
- optional ist der Spannbügel mit rotem Gummi überzogen, für besseren Griff/Halt und Sichtbarkeit
- optionale Ausstattung mit einer Öse möglich, die eine Sicherung mit einem Vorhängeschloss ermöglicht
- Gewicht : 222gr
- max. Haltekraft : 2,5kN
Hinweis :
- Die Spannverschlüsse können angeschraubt oder angenietet werden
- weitere Preise auf Anfrage

