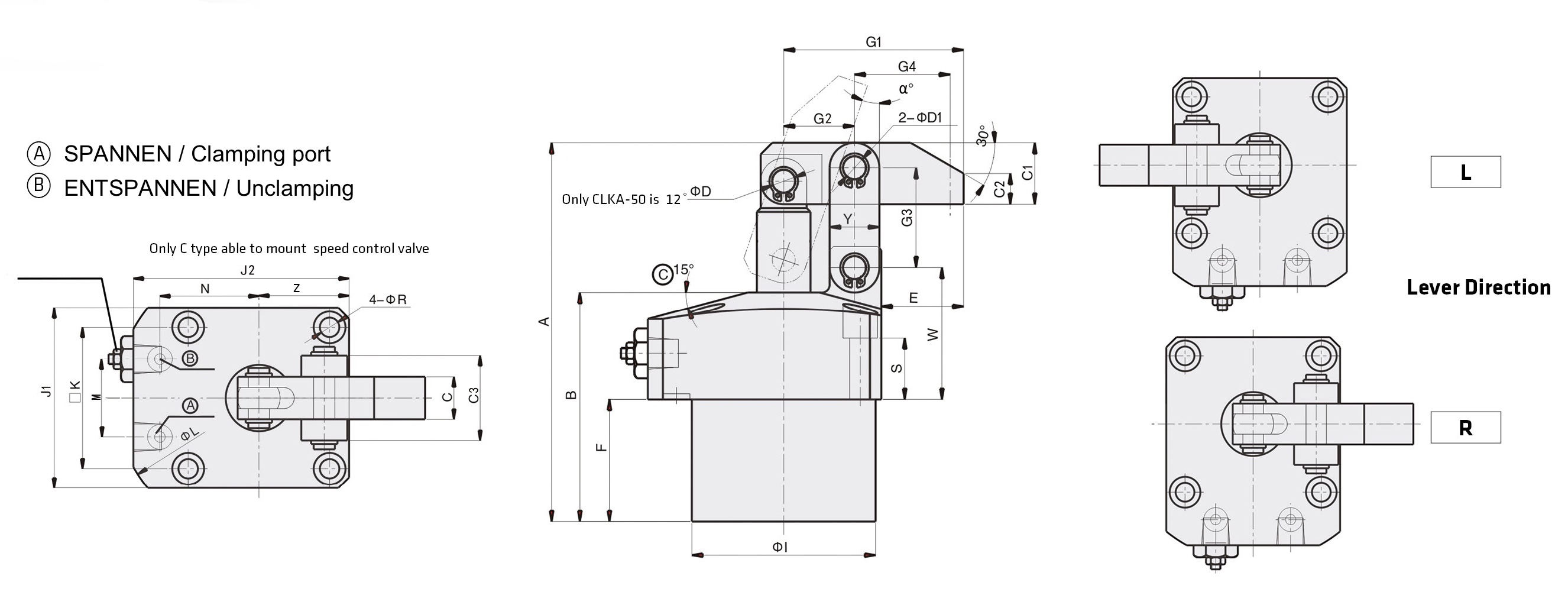
HLKA Hydraulischer Hebelspanner - Hydraulikzylinder
Spannzylinder mit Hebelmechanik - doppelt wirkend :
- Hochleistungsspanner in kleiner kompakte Baugröße
- Aufgrund der besonders geringen Abmessungen unter dem Flansch, können Anschlussbohrungen und Versorgungsleitungen unter dem Spannelement verlaufen
- Diese besonders geringe Bauhöhe ermöglicht einen Einsatz in sehr engen Räumlichkeiten
- Hohe Spannkräfte von 2,1kN bis 31kN
- Die Spannkraft ist abhängig von der Spanneisenlänge und dem Hydraulikdruck
- Verwendung mit vorgeschaltetem Stromregelventil empfohlen
- komplett mit Spannarm
- Min. Betriebsdruck 10bar
- Max. Betriebsdruck 70bar
- Betriebstemperatur : -10 ~ +70°C
- diverse Kolbengrößen und Anschlusstypen
- Pneumatische Positionsabfrage möglich
- Sonderausführungen sind auf Anfrage lieferbar !
- ähnlich wie HLA, Clamptek CLKA, CLU etc.
➝ CAD-Daten und Preise auf Anfrage !
Beispiel Bestellnummer : HLKA - 32 C M L
① | BAUREIHE | HLKA | |
② | Baugröße/ Aussenndurchmesser des Zylinders |
036 :ØI = 36mm
040 :ØI = 40mm 048 :ØI = 48mm 055 :ØI = 55mm 065 :ØI = 65mm
075 :ØI = 75mm 090 :ØI = 90mm 105 :ØI = 105mm |
|
③ | Anschlusstyp | Leer : Standard Rohrleitungsanschluss G: O-Ringanschluss C: O-Ringanschluss mit Drosselventil |
|
④ | Pneumatische Positionsabfrage | Leer: Standard (ohne Abfrage) D: durchgehende Kolbenstange M: Pneumatische Positionsabfrage bei Tieflochbohrung N: Pneumatische Positionsabfrage bei Verrohrung |
|
⑤ | Montagerichtung des Spanneisens | Leer : Standard vorne R : Rechts L : Links |
Model No. | Spannkraft bei 70 bar (kN) | Spannhub (mm) | Gesamthub (mm) | Ölbedarf Spannen [cm3] | Ölbedarf Entspannen [cm3] | eff. Kolbenfläche Spannen [cm2] | eff. Kolbenfläche Entspannen [cm2] |
---|---|---|---|---|---|---|---|
HLKA-036 | 16 | 18,5 | 7,03 | 5,57 | 3,80 | 3,01 | |
HLKA-040 | 2,74 | 17,5 | 20,5 | 10,07 | 7,75 | 4,91 | 3,78 |
HLKA-048 | 4,52 | 20,5 | 23,5 | 18,89 | 15,28 | 8,04 | 6,50 |
HLKA-055 | 6,49 | 23 | 26 | 32,66 | 27,43 | 12,56 | 10,55 |
HLKA-065 | 10,73 | 26,5 | 29,5 | 57,91 | 48,65 | 19,63 | 16,49 |
HLKA-075 | 17,79 | 32 | 35 | 109,06 | 95,76 | 31,16 | 27,36 |
HLKA-090 | 21,35 | 38 | 41 | 141,37 | 132,55 | 34,48 | 32,33 |
HLKA-105 | 30,94 | 46 | 49 | 246,18 | 199,04 | 50,24 | 40,62 |

MODEL | A | J2 | J1 | I | B | F | C | Z | K | L | C1 | C2 | N | M | Q | R | S | W | G3 | Y | C3 | G2 | D | D1 | G1 | α | E | G4 | øU | Rohrleitungs- anschluss | O-Ring- Anschluss |
---|---|---|---|---|---|---|---|---|---|---|---|---|---|---|---|---|---|---|---|---|---|---|---|---|---|---|---|---|---|---|---|
HLKA-036 | 78,5 | 49 | 40 | 36 | 48 | 23 | 10 | 20 | 31,4 | 66 | 12,5 | 6 | 23,5 | 16 | 7,5 | 4,5 | 15,5 | 30 | 20 | 11 | 19 | 14,5 | 5 | 5 | 37 | 19,6 | 17 | 19 | ø10 | 2-PT1/8 | P5 |
HLKA-040 | 87,5 | 54 | 45 | 40 | 54 | 29 | 12 | 22,5 | 34 | 72 | 14 | 8 | 26 | 18 | 9 | 5,5 | 15 | 30,5 | 22 | 13 | 21 | 16 | 6 | 6 | 40 | 20,2 | 17,5 | 20,5 | ø12 | 2-PT1/8 | P5 |
HLKA-048 | 99,0 | 61 | 51 | 48 | 60 | 32 | 12 | 25,5 | 40 | 81 | 16 | 8 | 30 | 22 | 9 | 5,5 | 16 | 34,5 | 26 | 13 | 24 | 18,5 | 6 | 6 | 47 | 18,9 | 21,5 | 23,5 | ø14 | 2-PT1/8 | P5 |
HLKA-055 | 110,5 | 69 | 60 | 55 | 65 | 37 | 16 | 30 | 47 | 88 | 20 | 12 | 33,5 | 24 | 11 | 6,8 | 13,5 | 35,5 | 30 | 16 | 28 | 21 | 6 | 8 | 55 | 19,3 | 25 | 29 | ø16 | 2-PT1/8 | P5 |
HLKA-065 | 127,5 | 81 | 70 | 65 | 73,5 | 43,5 | 19 | 35 | 55 | 106 | 25 | 17 | 39,5 | 30 | 11 | 6,8 | 16 | 39 | 35,5 | 19 | 37 | 24,5 | 8 | 10 | 61,5 | 20 | 26,5 | 32 | ø20 | 2-PT1/4 | P7 |
HLKA-075 | 151 | 94,5 | 85 | 75 | 84 | 47 | 22 | 42,5 | 63 | 116 | 32 | 24 | 45 | 32 | 14 | 9 | 17,5 | 48 | 43,5 | 25 | 40 | 30 | 10 | 12 | 72,5 | 21,4 | 30 | 37,5 | ø22 | 2-PT1/4 | P7 |
HLKA-090 | 180 | 109,5 | 100 | 90 | 101 | 61 | 25 | 50 | 75 | 136 | 38 | 30 | 52,5 | 37 | 17,5 | 11 | 17 | 52,5 | 52,5 | 28 | 49 | 36 | 12 | 15 | 82,5 | 22,4 | 32,5 | 41,5 | ø28 | 2-PT3/8 | P7 |
HLKA-105 | 209 | 127 | 120 | 105 | 115 | 65 | 32 | 60 | 88 | 152 | 45 | 37 | 60 | 45 | 20 | 14 | 23 | 64 | 64 | 32 | 64 | 44 | 15 | 18 | 100 | 23,1 | 40 | 51 | ø35 | 2-PT3/8 | P7 |

